0755-82349921
搜索
4产品中心
4 系列MSO混合信号示波器
4 系列MSO混合信号示波器
[惟和科技]是一家专业测试测量仪器设备供应商,了解4 系列MSO混合信号示波器销售,4 系列MSO混合信号示波器价格请联系深圳市惟和科技有限公司,服务热线13713005830
 

4 系列MSO混合信号示波器

  • 详情说明

  • 数据分析


概述

全新4 系列混合信号示波器拥有同类产品中超大的显示和更高的可用通道数,让您在有限的空间获得前所未有的洞察力。全新体验,符合工程师潜意识触摸操作的界面设计。

同类产品中超大的显示以及屡获殊荣的用户界面

4 系列 MSO 采用与屡获殊荣的 5 系列相同的触摸式用户界面技术,以及同类产品中超大的显示和超高分辨率的显示,打造了示波器全新的操作体验。

13.3 英寸高清显示屏

6.1 英寸(15.5 厘米)深,适合有限的工作台空间

出色的细节设计和多达 6 条Flex channel的输入通道

任何通道都可以显示波形、频谱或两者

任何一条输入通道都可连接逻辑探头来查看八条数字通道

所有通道均具备出色的细节设计和准确的测量

12 位垂直分辨率(高分辨率模式下可达 16 位)

在所有模拟和数字通道上实时采样率高达 6.25 GS/s

高达 62.5 M 点记录长度

型号

模拟带宽

模拟通道

数字通道数

采样率

记录长度

MSO44

200 MHz 至 1.5 GHz

4

最多 32 条(可选)

6.25GS/s

31.25 M 至 62.5 M 点

MSO46

200 MHz 至 1.5 GHz

6

最多 48 条(可选)

6.25GS/s

31.25 M 至 62.5 M 点

 

MHz 至 1.5 GHz

 

条(可选)

 

至 62.5 M 点

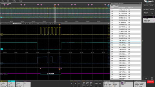
嵌入式串行总线分析

串行总线解码和触发选项将 4 系列 MSO 转变为利用自动解码、触发和搜索功能调试串行总线不可或缺的工具。

I2C,SPI

RS-232 / 422 / 485 / UART

10BASE-T / 100BASE-TX 以太网

USB 2.0

CAN/CAN FD、LIN、FlexRay

SENT

I2S/LJ/RJ/TDM

MIL-STD-1553 / ARINC 429

I3C

SPMI

咨询热线 24小时咨询热线: 0755-82349921
Copyright @ 深圳市惟和科技有限公司
公司地址:深圳市罗湖区笋岗东路3012号中民时代广场B座21层2101B室
【后台管理】 粤ICP备2021142404号
  • 行业合作 行业合作
  • 渠道合作 渠道合作